ASTM A234 WP5 , WP11 , WP22 , WP9 , WP91 Eccentric / Cocentric Reduer 10”X8” SCH80SXSCH40S
Form:
1/8" NB TO 48" NB. (Seamless & Welded)
Thickness
SCH: 5s, 10s, 40s, 80s, 10, 20, 40, STD, 60, 80, XS, 100, 120, 140, 160, XXS & NS available with NACE MR 01-75
Type:
· Elbows in 45 deg, 90 deg, 180 deg, R=1D,1.5D,3D, 5D, 6D, 8D, 10D & 20D.
· Eccentric & concentric reducer.
· Caps & crosses.
· Equal & unequal tee.
· Long & short stub end.
Standard:
· ASME: ANSI B16.9, ANSI B16.28, MSS SP75
· DIN: DIN2605, DIN2615, DIN2616, DIN2617, DIN28011
· SGP: JIS B2313
· EN: EN10253-1, EN10253-2
Material:
Stainless Steel : ASTM A403 WP 304/ 304L/ 304H/ 316/ 316L/ 317/ 317L/ 321/ 310/ 347/ 904L/ etc.
Carbon Steel : ASTM A234 WPB / A420 WPL3/ A420 WPL6/ MSS-SP-75 WPHY 42/46/52/56/60/65/70 etc.
Alloy Steel : ASTM A234 WP1/ WP5/ WP9/ WP11/ WP22/ WP91/ etc.
Other materials : Monel, Nickel, Inconel, Hastalloy, Copper, Brass, Bronze, Titanium, Tantalum, Bismuth, Aluminium, High Speed Steel, Zinc, Lead, etc.
|
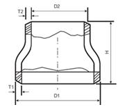
Product name : carbon steel concentric reducer |
Item : buttweld-Reducer |
Details : |
Nominal Diameter | Outside Diameter | End to End | D1*D2 | DN | NPS | Series A | Serices B | H | 20×15 | 3/4×1/2 | 26.9×21.3 | 25×18 | 38 | 20×10 | 3/4×3/8 | 26.9×17.3 | 25×14 | 38 | 25×20 | 1×3/4 | 33.7×26.9 | 32×25 | 51 | 25×15 | 1×1/2 | 33.7×21.3 | 32×18 | 51 | 32×25 | 1.1/4×1 | 42.4×33.7 | 38×32 | 51 | 32×20 | 1.1/4×3/4 | 42.4×26.9 | 38×25 | 51 | 32×15 | 1.1/4×1/2 | 42.4×21.3 | 38×18 | 51 | 40×32 | 1.1/2×1.1/4 | 48.3×42.4 | 45×38 | 64 | 40×25 | 1.1/2×1 | 48.3×33.7 | 45×32 | 64 | 40×20 | 1.1/2×3/4 | 48.3×26.9 | 45×25 | 64 | 40×15 | 1.1/2×1/2 | 48.3×21.3 | 45×18 | 64 | 50×40 | 2×1.1/2 | 60.3×48.3 | 57×45 | 76 | 50×32 | 2×1.1/4 | 60.3×42.4 | 57×38 | 76 | 50×25 | 2×1 | 60.3×33.7 | 57×32 | 76 | 50×20 | 2×3/4 | 60.3×26.9 | 57×25 | 76 | 65×50 | 2.1/2×2 | 73.0×60.3 | 76×57 | 89 | 65×40 | 2.1/2×1.1/2 | 73.0×48.3 | 76×45 | 89 | 65×32 | 2.1/2×1.1/4 | 73.0×42.4 | 76×38 | 89 | 65×25 | 2.1/2×1 | 73.0×33.7 | 76×32 | 89 | 80×65 | 3×2.1/2 | 88.9×73.0 | 89×76 | 89 | 80×50 | 3×2 | 88.9×60.3 | 89×57 | 89 | 80×40 | 3×1.1/2 | 88.9×48.3 | 89×45 | 89 | 80×32 | 3×1.1/4 | 88.9×42.4 | 89×38 | 89 | 90×80 | 3.1/2×3 | 101.6×88.9 | - | 102 | 90×65 | 3.1/2×2.1/2 | 101.6×73.0 | - | 102 | 90×50 | 3.1/2×2 | 101.6×60.3 | - | 102 | 90×40 | 3.1/2×1.1/2 | 101.6×48.3 | - | 102 | 90×32 | 3.1/2×1.1/4 | 101.6×42.4 | - | 102 | 100×90 | 4×3.1/2 | 114.3×101.6 | - | 102 | 100×80 | 4×3 | 114.3×88.9 | 108×89 | 102 | 100×65 | 4×2.1/2 | 114.3×73.0 | 108×76 | 102 | 100×50 | 4×2 | 114.3×60.3 | 108×57 | 102 | 100×40 | 4×1.1/2 | 114.3×48.3 | 108×45 | 102 | 125×100 | 5×4 | 141.3×114.3 | 133×108 | 127 | 125×90 | 5×3.1/2 | 141.3×101.6 | - | 127 | 125×80 | 5×3 | 141.3×88.9 | 133×89 | 127 | 125×65 | 5×2.1/2 | 141.3×73.0 | 133×76 | 127 | 125×50 | 5×2 | 141.3×60.3 | 133×57 | 127 | 150×125 | 6×5 | 168.3×141.3 | 159×133 | 140 | 150×100 | 6×5 | 168.3×114.3 | 159×108 | 140 | 150×90 | 6×3.1/2 | 168.3×101.6 | - | 140 | 150×80 | 6×3 | 168.3×88.9 | 159×89 | 140 | 150×65 | 6×2.1/2 | 168.3×73.0 | 159×76 | 140 | 200×150 | 8×6 | 219.1×168.3 | 219×159 | 152 | 200×125 | 8×5 | 219.1×141.3 | 219×133 | 152 | 200×100 | 8×4 | 219.1×114.3 | 219×108 | 152 | 200×90 | 8×3.1/2 | 219.1×101.6 | - | 152 | 250×200 | 10×8 | 273.0×219.1 | 273×219 | 178 | 250×150 | 10×6 | 273.0×168.3 | 273×159 | 178 | 250×125 | 10×5 | 273.0×141.3 | 273×133 | 178 | 250×100 | 10×4 | 273.0×114.3 | 273×108 | 178 | 300×250 | 12×10 | 323.9×273.1 | 325×273 | 203 | 300×200 | 12×8 | 323.9×219.1 | 325×219 | 203 | 300×150 | 12×6 | 323.9×168.3 | 325×159 | 203 | 300×125 | 12×5 | 323.9×141.3 | 325×133 | 203 | 350×300 | 14×12 | 355.6×323.9 | 377×325 | 330 | 350×250 | 14×10 | 355.6×273.0 | 377×273 | 330 | 350×200 | 14×8 | 355.6×219.1 | 377×219 | 330 | 350×150 | 14×6 | 355.6×168.3 | 377×159 | 330 | 400×350 | 16×14 | 406.4×355.6 | 426×377 | 356 | 400×300 | 16×12 | 406.4×323.9 | 426×325 | 356 | 400×250 | 16×10 | 406.4×273.0 | 426×273 | 356 | 400×200 | 16×8 | 406.4×219.1 | 426×219 | 356 | 450×400 | 18×16 | 457×406.4 | 478×426 | 381 | 450×350 | 18×14 | 457×355.6 | 478×377 | 381 | 450×300 | 18×12 | 457×323.9 | 478×325 | 381 | 450×250 | 18×10 | 457×273.0 | 478×273 | 381 | 500×450 | 20×18 | 508×457 | 529×478 | 508 | 500×400 | 20×16 | 508×406.4 | 529×426 | 508 | 500×350 | 20×14 | 508×355.6 | 529×377 | 508 | 500×300 | 20×12 | 508×323.9 | 529×325 | 508 | 550×500 | 22×20 | 559×508 | - | 508 | 550×450 | 22×18 | 559×457 | - | 508 | 550×400 | 22×16 | 559×406.4 | - | 508 | 550×350 | 22×14 | 559×355.6 | - | 508 | 600×550 | 24×22 | 610×559 | - | 508 | 600×500 | 24×20 | 610×508 | 630×529 | 508 | 600×450 | 24×18 | 610×457 | 630×478 | 508 | 600×400 | 24×22 | 610×406.4 | 630×426 | 508 | 650×600 | 26×24 | 660×610 | - | 610 | 650×550 | 26×22 | 660×559 | - | 610 | 650×500 | 26×20 | 660×508 | - | 610 | 650×450 | 26×18 | 660×457 | - | 610 | 700×650 | 28×26 | 711×660 | - | 610 | 700×600 | 28×24 | 711×610 | 720×630 | 610 | 700×550 | 28×22 | 711×559 | - | 610 | 700×500 | 28×20 | 711×508 | 720×530 | 610 | 750×700 | 30×28 | 762×711 | - | 610 | 750×650 | 30×26 | 762×660 | - | 610 | 750×600 | 30×24 | 762×610 | - | 610 | 750×550 | 30×22 | 762×559 | - | 610 | 800×750 | 32×30 | 813×762 | - | 610 | 800×700 | 32×28 | 813×711 | 820×720 | 610 | 800×650 | 32×26 | 813×660 | - | 610 | 800×600 | 32×24 | 813×610 | 820×630 | 610 | 850×800 | |

Product Tags:
|
Eccentric / Cocentric 10 to 8 Reduer SCH80SXSCH40S ASTM A234 WP5 WP11 WP22 WP9 WP91 Images
|